LSGR207 serie
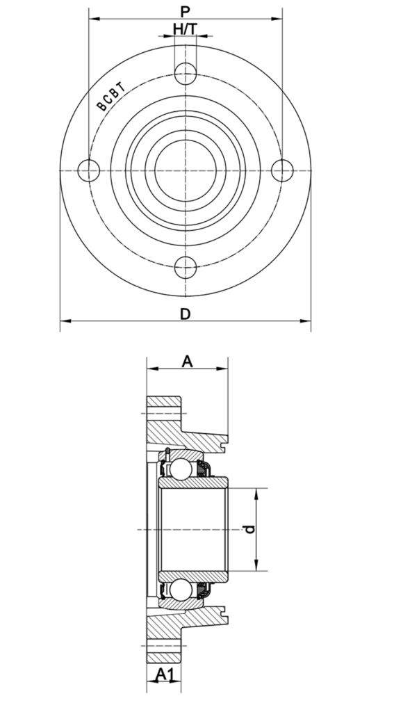
Rundflansch-Lagergehäuse mit vier gleichmäßig angeordneten Befestigungslöchern für gleichmäßige Lastverteilung. Kugelförmiger Außenring für Selbstjustierung. Ideal für vertikale oder geneigte Oberflächen. Verwendung in Förderbändern und Ventilatoren.
Anzeige:
| Teilenummer | Abmessungen | Gewicht | |||||
|---|---|---|---|---|---|---|---|
| d | D | P | H/T | A | A1 | ||
