PME serie
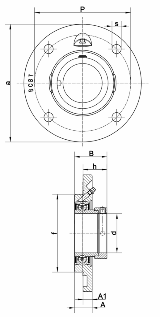
Rundflansch-Lagergehäuse mit vier gleichmäßig angeordneten Befestigungslöchern für gleichmäßige Lastverteilung. Kugelförmiger Außenring für Selbstjustierung. Ideal für vertikale oder geneigte Oberflächen. Verwendung in Förderbändern und Ventilatoren.
Anzeige:
| Teilenummer | Abmessungen | Gewicht | ||||||||
|---|---|---|---|---|---|---|---|---|---|---|
| d | a | B | A | A1 | p | S | h | f | ||
