SAFCT200 serie

Die SAFCT200-Serie von Außenringkugellagern mit Drei-Loch-Flanschgehäusen kann nicht nur eine präzise Bewegungssteuerung erzielen und eine stabile Unterstützung unter radialen Belastungen bieten, sondern zeichnet sich auch durch eine bequeme Installation und einfache Ausrichtung aus, was sie für eine Vielzahl von industriellen und kommerziellen Anwendungsbereichen wie landwirtschaftliche Maschinen, Textilgeräte, Druckmaschinen, Baumaschinen, Förderanlagen, Ventilatoren und Autoteile weitgehend geeignet macht.

Anzeige:
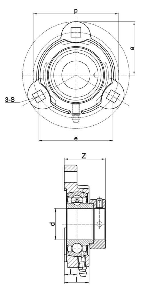
Teilenummer Abmessungen Gewicht
d a P e i I S Z Schraubengröße