SN200 series
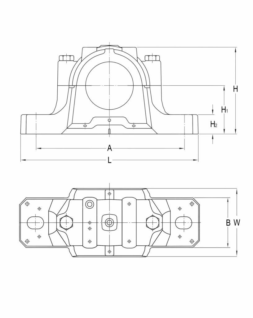
SN200 bearing housings feature a split plummer-block design for easy installation and maintenance. Compatible with self-aligning ball bearings and spherical roller bearings, they provide strong load capacity, dependable shaft support, and effective sealing options. Built from robust cast materials, the SN200 series delivers long service life and reliable performance in demanding industrial applications.
Display in:
| Part No. | Shaft Dia. | Dimensions | Mounting Bolt | Weight | ||||||
|---|---|---|---|---|---|---|---|---|---|---|
| A | L | B | W | H | H1 | H2 | ||||
